Usted está aquí: Hogar » productos » Correa dentada de PU » Correa de distribución H-PU

loading

Compartir con:
facebook sharing button
twitter sharing button
line sharing button
linkedin sharing button
pinterest sharing button
sharethis sharing button

Correa de distribución H-PU

Máquinas herramienta Principal y subsidiaria Accionamiento, máquinas textiles, Maquinaria de impresión
Estado de Disponibilidad:
Cantidad:

H Parámetros técnicos

  • Transmisión de energía: ≤30KW

  • Velocidad de rotación: approx.10000RPM

  • Velocidad periférica: approx.60MS-1

  • Poleas de distribución: de dientes =14

  • Aplicaciones: Máquinas herramientas Accionamiento principal y secundario, máquinas textiles, Maquinaria de impresión


 

H-correa de distribución de doble cara

 

Escribe Dientes Ancho Longitud Escribe Dientes Ancho Longitud

H (Paso = 12,7 mm)

H (Paso = 12,7 mm)

H-200

40

150

508.00

H-480

96

150

1219.20

H-230

46

150

584.20

H-510

102

150

1295.40

H-240

48

150

609.60

H-540

108

150

1371.60

H-245

49

150

622.30

H-560

112

150

1422.40

H-255

51

150

647.70

H-570

114

150

1447.80

H-270

54

150

685.80

H-600

120

150

1524.00

H-280

56

150

711.20

H-630

126

150

1600.20

H-300

60

150

762.00

H-660

132

150

1676.40

H-320

64

150

812.80

H-660

132

150

1676.40

H-330

66

150

838.20

H-700

140

150

1778.00

H-360

72

150

914.00

H-750

150

150

1905.00

H-390

78

150

990.60

H-800

160

150

2032.00

H-400

80

150

1016.00

H-850

170

150

2159.00

H-420

84

150

1066.80

H-900

180

150

2286.00

H-450

90

150

1143.00

H-1100

220

150

2794.00


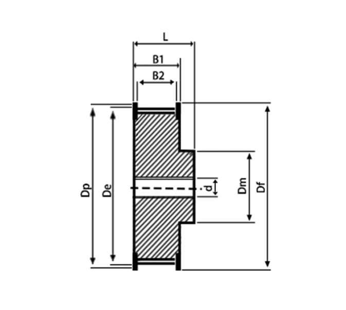
poleas

Sin dientes Dp Delaware Sin dientes Dp Delaware

14

56.60

55.23

30

121.28

119.91

15

60.64

59.27

32

129.36

127.99

16

64.68

63.31

34

137.45

136.08

18

72.77

71.40

36

145.53

144.16

20

80.85

79.48

38

153.62

152.25

21

84.89

83.52

40

161.70

160.33

22

88.94

87.57

44

177.87

176.50

23

92.98

91.61

48

194.04

192.67

24

97.02

95.65

52

210.21

208.84

25

101.06

99.69

58

234.47

233.10

26

105.11

103.74

60

242.55

241.18

28

113.19

111.82

72

291.06

289.69


H-correa de distribución de doble cara


Anterior: 
Siguiente: 
Especializados en cintas transportadoras para ayudar a mantener su producción funcionando sin problemas.
  • +86-15811849307​​​​​​​
  • No.88 Zontin East Road Shajing, Shenzhen 518104 China​​​​​​​
CONTÁCTENOS
Si tiene alguna pregunta, contáctenos en cualquier momento.
Email incorrecto
Síganos
Derechos de autor © 2022 Shenzhen Jiaheng Industrial Belt Co., Ltd. todos los derechos reservados Sitemap丨Tecnología por Leadong.com